Защитные компоненты
Сетевые защитные элементы
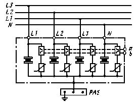
Элементы защиты от перенапряжений, устанавливаемые в цепях питания, служат для исключения проникновения в устройства и оборудование, эксплуатируемое в помещениях, импульсов, способных вызвать помехи или повреждения, или же для снижения остаточного напряжения устройств грубой защиты до допустимых для установленного оборудования значений. В качестве примера на рис. 5.1 приведена схема грубой защиты при централизованном питании. Она защищает фазу и нейтраль от поступающих внешних перенапряжений и состоит из параллельно включенных в каждой цепи разрядника с поверхностным разрядом и металлооксидных варисторов с тепловой сигнализацией. Разрядники способны выдерживать токи, обусловленные молнией, и гасить дугу сопровождающего тока. При приходе импульса перенапряжения сначала работает варистор (время срабатывания примерно 25 нс), а затем срабатывает разрядник с запаздыванием порядка микросекунд.
|
|
|
Рис. 5.1. Устройства для защиты от перенапряжений при централизованном электропитании устройств оборудования в здании |
Защитные элементы для линий передачи измерительной информации, сигналов регулирования и управления, данных
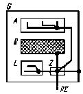
Элементы, ограничивающие перенапряжения в этой области, должны, с одной стороны, обладать способностью отводить сильные импульсные токи (до 10 кА), а с другой - быстро ограничивать перенапряжения, близкие по значениям к рабочим напряжениям. Эти требования удовлетворяются в многоступенчатых схемах. На рис. 5.2 приведена схема одного из таких устройств, состоящего из газонаполненного разрядника, металлооксидного варистора (грубая защита) и ограничительного стабилитрона (тонкая защита). При появлении импульса перенапряжения сначала срабатывает стабилитрон. Ток i1 вызывает падение напряжения на индуктивности L1 UL1=L1di1/dt, что приводит к срабатыванию варистора. Под воздействием напряжения UL2=L2di 2/dt разрядник пробивается. Таким образом приходящий импульс (10 кВ) со скоростью изменения 1 кВ/мкс ступенчато ограничивается до 35 В.
|
|
Рис. 5.2.Трехступенчатый ограничитель перенапряжений с газонаполненным разрядником, варистором (грубая защита) и стабилитроном (тонкая защита). Под графиком указано время срабатывания ступеней |
|
|
Рис. 5.3. Блок защиты от перенапряжений для устройства V.24/RS232
C: |
На рис. 5.3 в качестве примера приведена схема адаптера для устройства V.24/RS232C. Он рассчитан на ток до 5 кА (импульс 8/20 мкс), срабатывает за время 100 пкс, ограничивает напряжение крутизной 1 кВ/мкс до 20 В и позволяет передавать информацию до 40 Кбайт/с.
Каждая система опорного потенциала, связывающая в аналоговых и
цифровых устройствах сигнальные и питающие цепи, таит в себе опасность
гальванических влияний. Физическая структура системы выбирается в соответствии с
рабочими частотами. Например, при частотах менее 10 кГц (аналоговая часть,
системы питания) ее следует выполнять в виде звезды, а при частотах более 100
кГц (цифровая часть) - в виде закольцованной структуры.
Как правило, имеющиеся в приборе
системы опорных потенциалов различных функциональных групп объединяются в
центральной точке, которая и соединяется с корпусом или системой защитного
заземления (рис. 5.4).
|
|
Рис. 5.4. Выравнивание потенциалов внутри прибора: |
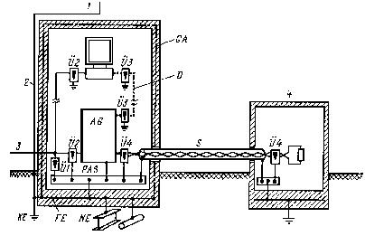
В устройствах
автоматизации со многими приборами или шкафами взаимные помехи будут
наименьшими, если все корпуса и проводящие детали здания и устройства находятся
под одним напряжением. Для этого приборы автоматизации подходящим образом
соединяют с заземляющим устройством, требующимся также для защиты от напряжения
прикосновения, грозовых и коммутационных перенапряжений, а также для рабочего
заземления электротехнических установок.
Сильноточное заземляющее устройство
состоит, как правило, из фундаментного заземлителя (кольцеобразного сборного
проводника, расположенного на нижнем этаже здания, рис. 5.5), к которому
присоединены все естественные и дополнительные заземлители. К естественным
заземлителям относятся все металлические элементы, соприкасающиеся с землей
(трубы, фундамент здания, металлические конструкции технических и
технологических агрегатов, оболочки кабелей, рельсовые пути, экраны кабельных
каналов, приходящих в здание), а также система заземления электрооборудования.
Для заземления электронных промышленных
средств в устройствах автоматизации применяют в основном два вида соединений
заземляющих проводов: соединение их в звезду или присоединение к плоскому
заземлителю.
При соединении в звезду
изолированные провода системы опорного потенциала всех приборов объединяются в
одной точке, также изолированной, которая кратчайшем путем соединяется с
системой заземления, предназначенной для электротехнических установок и
грозозащиты (рис. 5.5а).
|
|
|
Рис. 5.5. Заземления устройств автоматизации в виде звезды (а) и
плоской системы (б): |
При использовании плоского
заземлителя системы опорного потенциала непосредственно соединяются с корпусами
приборов (рис. 5.4), которые проводниками кратчайшим путем связываются с
изолированным плоским заземлителем, сооруженным на полу производственного
помещения, подсоединенным в одной точке к заземлению электротехнических
устройств (рис. 5.5б).
Соединения в
звезду являются классическим видом заземления аналоговых и небыстродействующих
цифровых устройств автоматизации.
Для
быстродействующих устройств полные сопротивления отдельных расположенных в виде
лучей проводов аземления становятся слишком высокими, чтобы гарантировать
нормальное функционирование заземляющего устройства, и поэтому используется
плоское заземление.
На практике часто
применяют комбинацию этих двух видов заземления: в производственных с
управляющей и вычислительной техникой - плоское заземление, а в пределах общего
пространственно разветвленного устройства, которое, естественно, может содержать
также аналоговые компоненты - звездой. В этом случае повторяется принцип
занулений внутри прибора (рис. 5.6).

|
Рис. 5.6. Защита от молнии и от перенапряжений в устройствах
автоматизации: |
В е р с т к а : Б е к р е н е в С е м ё н