Глава 4
Механизмы появления помех и мероприятия по их снижению
Механизмы связи между контурами
Существенным при рассмотрении технико-экономических проблем электромагнитной совместимости является значение механизмов связи К между источником помех Q и чувствительным к помехам элементом прибора S, обусловленных этими механизмами воздействий и соответствующих основных правил, по которым можно эффективно противостоять этим воздействиям уже на стадии проектирования, создания устройств. Рис. 4.1 дает представление о принципиально возможных видах связи между двумя контурами с током (1 и 2) или о путях проникновения помехи z от источника Q к элементу S по проводам или через поле. В первом случае говорят о гальванической связи, а во втором, в зависимости от условий, о внутренней или внешней емкостной связи (если преобладает электрическое поле), зависящей от частоты и расстояния между источником и чувствительным элементом, или же об индуктивной связи (если преобладает магнитное поле).
|
|
|
|
Влияние через гальванические связи |
Влияние через поле | ||
|
Гальваническая связь (полное сопротивление связи) |
Емкостная связь (поле Е) |
Индуктивная связь (поле Н) |
Электромагнитная связь (поле Е, Н) |
|
|
|
|
|
|
|
|
|
|
| Рис. 4.1. Механизмы связи между
контурами: 1 и 2 - влияющий и испытывающий влияние контуры; lЭФ - эффективная длина антенны. |
Гальваническое влияние
Гальваническое влияние может осуществляться через общие полные сопротивления, как правило, через:
|
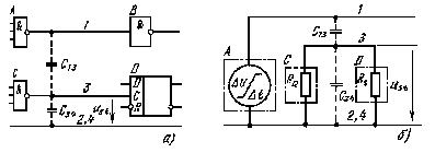
На рис.4.2а показана
схема питания постоянным напряжением логических модулей В1
- Вn, в которой изменения тока одного модуля (di/dt)
генерирует напряжение помехи Ust из-за падения напряжения на
R и L, накладывающегося на напряжение питания U, а на
рис.4.2б - аналоговая схема, в которой при подключении нагрузки
RL возникает напряжение помехи на полном сопротивлении общего
для двух сигнальных контуров участка системы опорного потенциала. Это напряжение
накладывается непосредственно на входное напряжение операционного усилителя
OV1 и тем самым искажает входной сигнал второго усилителя OV2.
Упрощенно в обоих случаях напряжение
помехи
Ust=R∆i+L∆i/∆t.(4.1)
Реальные значения Ust составляют милливольты или вольты.

Рис. 4.2. Примеры гальванических связей в цепях электропитания (а) и в сигнальных контурах (б)
Например, для схемы на
рис.4.2б напряжение между точками 1 и 2 при длине провода 10 см, погонной
индуктивности 0.5мкГн/м, сопротивлении 1 мОм, токе ∆i=1 А и времени
∆t=100 нс то Ust =1+500=501 мВ.
Это напряжение при заданных значениях
∆i и ∆i/∆t тем ниже, чем меньше параметры полных сопротивлений
общих цепей. Согласно известному соотношению активное сопротивление
проводника
R=l/γA, (4.2)
где А -площадь поперечного сечения проводника;
l-его длина; γ -электрическая удельная проводимость материала.
Поэтому проводник необходимо выбирать
предельно коротким, а его сечение должно быть возможно большим. При этом следует
иметь в ввиду, что при больших скоростях изменения тока ∆i/∆t с
увеличением поперечного сечения проводника все заметнее проявляется
поверхностный эффект.
Несмотря на то,
что активное сопротивление из-за влияния поверхностного эффекта в области частот
102÷108 Гц может возрасти по сравнению с сопротивлением
при постоянном токе в 10÷1000 раз (R/Ro=10÷103), активная
составляющая напряжения помехи UstR=R∆i обычно остается
сравнительно малой (милливольты) по отношению к индуктивной
составляющей:
(4.3)

Рис. 4.3. Зависимость погонных индуктивностей (в, г) от соотношения размеров линий с проводами круглого (а) и прямоугольного (б) сечений
Для уменьшения L и
тем самым Ust имеются следующие возможности: сокращение длины
проводов, для круглых проводов заданной площади сечения или диаметра -
сокращение до минимального расстояния между проводами, а для проводников
прямоугольного сечения - увеличения отношения a/b. Если отношение
d/D в лучшем случае теоретически может быть снижено до единицы, то
отношение а/b достигает десяти и более. Поэтому линия с плоскими
проводами, показанная на рис.4.3б обладает гораздо меньшей индуктивностью, что
видно из сравнения характеристик на рис.4.3в и 4.3г.
Для снижения гальванического влияния в
соединительных проводах цепей питания и сигнальных контурах рекомендуются
следующие мероприятия:
1. Выполнение соединений между двумя или более контурами с возможно низким полным сопротивлением, особенно низкой индуктивностью. Для этого требуется:
1.1.по возможности меньшая длина общих линий;
1.2.большое сечение проводников (особенно для проводников системы опорного потенциала, общей для многих контуров);
1.3.малые расстояния d между проводами цепей питания (расположение прямого и обратного проводов рядом друг с другом);
1.4.выполнение системы опорного потенциала в печатных платах, а при возможности и проводов питания в виде плоских шин (рис.4.4). В этих случаях (рис.4.4б) возможно обеспечение больших емкостей, выполняющих роль защитных конденсаторов;
1.5.эффективным является выполнение соединений шин системы опорного потенциала в виде многих параллельных кабелей (рис.4.5), благодаря чему одновременно компенсируются как емкостные, так и индуктивные влияния;
|
|
|
Рис.4.4. Многослойные платы с плоскими шинами системы опорного потенциала GND (а) и шинами электропитания GND и UCC (б): L - поверхности печатных плат. |
|
|
|
Рис.4.5. Плоский кабель с распределенными по ширине проводами системы опорного потенциала GND |
2. Гальваническая развязка, т.е. устранение совместных проводящих соединений между различными контурами, или же гальваническое разделение контуров таким образом, чтобы ток наиболее мощного контура или ток фильтра не протекал по слаботочному контуру.Это достигается следующим образом:
2.1.отказ от общих обратных проводников вцепях передачи сигналов (рис.4.6а);
2.2.отказ от использования проводов заземления, корпусов приборов, машин и технологических устройств в качестве проводов сигнальных цепей;
2.3.систему опорного потенциала, если это требуется, необходимо присоединять лишь к точкам заземления или к корпусу прибора;
2.4.системы опорных потенциалов аналоговых модулей (В1-В4 на рис.4.6б) и системы питания компонентов К1-К3 устройств автоматизации (рис.4.6в) следует соединять звездой;
2.5.целесообразно раздельно питать мощные электрические и аналоговые, дискретные функциональные элементы в цепях устранения влияния внутреннего сопротивления питающей цепи (рис.4.6г);
2.6. разделение потенциалов, т.е. устранение любых гальванических контактов между контурами при функционально связанных сигнальных и силовых цепях (рис.4.6д) в системах, в которых не предусматривается обмен информацией;
3. выбор скорости изменения тока D i/Dt не большей, чем требуется по условиям функционирования. Однако это не всегда удается осуществить, например, если нормальное функционирование электротехнического устройства сопровождается определенным значением D i/Dt. Напротив, в логических системах скорость изменения тока зависит от рабочей скорости коммутации в контурах. Поэтому она принципиально не должна быть выше, чем требуемая для осуществления функциональной задачи или для обеспечения операционной скорости.
|
|
|
Рис. 4.6. Примеры неудачной (слева) и удовлетворительной (справа) реализации мер по снижению помех в гальванически связанных сигнальных контурах и цепях питания |
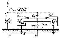
Гальваническое влияние по контурам заземления
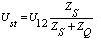
На рис.4.7а показаны приборы G1 и G2, пространственно разделенные друг от друга. Они могут находиться в разных зданиях. По условиям техники безопасности корпуса приборов должны быть заземлены. Имеющийся контур полезного сигнала также заземляется в двух местах, у приборов. Между точками 1 и 2 может возникнуть разность потенциалов, обусловленная током в контуре заземления, например током замыкания на землю или током молнии. Эта разность потенциалов U12 вызывает ток помехи Ist. На внутреннем сопротивлении входной цепи прибора ZS возникает напряжение помехи Ust, наложенное на входной сигнал.При синусоидальной форме напряжения напряжение помехи рассчитывается (рис.4.7б):
(4.4)
При этом предполагается, что полное сопротивление линии ZL пренебрежимо мало по сравнению сопротивлениями ZQ и ZS.
Если ZS>>ZQ, то Ust≈U12, а при ZS=ZQ Ust≈0.5U12.
|
|
|
Рис. 4.7. Гальваническое влияние через замкнутую петлю
заземлений: |
|
|
|
Рис. 4.8. Снижение гальванического влияния при помощи заземленной плоскости (а) или массивного проводника РА, соединяющего точки заземлений приборов G1 и G2 (б) |
|
|
|
Рис.4.9.Экранирование сигнальных линий с заземлением экранов у обоих концов |
|
|
|
Рис.4.10. Гальваническое влияние через разомкнутую петлю заземлений:
|
Мероприятия по снижению влияния по цепям заземления заключаются в снижении разности потенциалов U12 за счет уменьшения сопротивления между точками 1 и 2 (рис.4.7). Это достигается, например, выполнением пола в виде проводящей эквипотенциальной поверхности F (рис.4.8,а) соединением приборов массивными проводниками РА (рис.4.8,б) или же экранированием сигнальных линий с заземлением экранов у обоих концов (рис.4.9), а также уменьшение тока Ist. Для этого существует ряд возможностей. Одной из них является разделение контуров заземления, например прибора G1 (рис.4.10,а). Однако при этом между сигнальным контуром и корпусом прибора остается емкостная связь ZC. В этом случае (рис.4.10) возникает напряжение помехи:
(4.5)
При f=0 ZC= ∞ и Ust=0, а при f→ ∞ ZC→0 и Ust=U12ZS/(ZS+ZQ). Это означает, что эффективная защита возможна лишь при постоянном напряжении и низких частотах. При высоких частотах петля заземления практически замкнута, ситуация может быть такой же, как показанная на рис. 4.7. Другие возможности снижения тока Ist приведены и прокомментированы в таблице 4.1.
Таблица 4.1. Гальваническое влияние в петлях заземления и мероприятия по его снижению
|
Параметр, мероприятие |
Примечание |
|
Разделительный трансформатор
|
Применим для сигналов с низкой и средней частотой. При высокой частоте из-за паразитной емкости С происходит преобразование синфазных помех в противофазные. |
|
Нейтрализующий трансформатор
|
Обмотки W1 и W2 намотаны согласно, потоки от полезного сигнала компенсируются, от токов помех суммируются. Действие тем лучше, чем выше частота тока Ist. |
|
Ферритовые кольца
|
Повышенное сопротивление току Ist, особенно эффективны при частотах выше 1 МГц. |
|
Линия с повышенным затуханием
|
Действие такое же, как и ферритовых колец. |
|
Разделительное реле
|
Применяется при бинарных сигналах. Паразитная емкость С до 5 пф. |
|
Оптическая развязка
|
Пригодна только для бинарных сигналов, емкость С менее 1 пф, электрическая прочность от 0,5 до 10 кВ. |
|
Световод LWL
|
Пригоден для аналоговых и цифровых сигналов. Разность потенциалов может составлять мегавольты, нечувствителен к емкостному и индуктивному влиянию. |
|
Симметричная передача
|
при полной симметрии Ust=0. |
|
Симметрирующие трансформаторы
|
Частичные токи помех Ist компенсируются у приемника. |
|
Симметричная передача с задающим и приемным устройством
|
Реализуются, например, в передающих данные шнурах. |
Причиной емкостного влияния могут быть паразитные емкости между проводами или проводящими предметами, принадлежащими разным токовым контурам. Практический интерес представляют следующие случаи:
1. влияющий и испытывающий влияние контуры гальванически
разделены;
2. оба контура имеют общий провод системы опорного потенциала;
3. провода токового контура имеют большую емкость относительно земли.
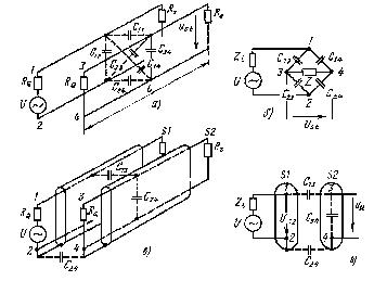
На рис. 4.11a показана
упрощенная модель емкостного влияния. Предполагается, что длина контура l
мала по сравнению с длиной волны самой высокой учитываемой частоты. Система
проводников 1, 2 принадлежит к влияющему контуру, а 3, 4 - контуру ,
испытывающему влияние. Соответствующие элементы RQ,
RS и C12 образуют полное сопротивление
Zi влияющего контура, а элементы RQ,
RS и C34 - полное сопротивление Z
контура, испытывающего емкостное влияние.
Отсюда нетрудно заметить, что
напряжение помехи Ust равно нулю, если соблюдается условие
симметрии:
C13/C23=C14/C24. (4.6)
![]() |
| Рис. 4.11. Емкостное влияние между гальванически
разделенными контурами: а-модель влияния; б-схема замещения; в-модель влияния на экранирование обоих контуров; г-схема замещения при наличии экранов. |
Это условие можно
обеспечить попарным скручиванием проводников (провода 1 с проводом 2, провода 3
с проводом 4), а в некоторых случаях - включением симметрирующих конденсаторов.
Следующей возможностью снижения
емкостного влияния в гальванически разделенных контурах является применение
экранированных проводов (рис.4.11,в) с экранами S1 и
S2 из хорошо проводящего материала, которые, как правило,
соединяются с одной стороны с проводом системы опорного потенциала какого-либо
контура. Благодаря этому увеличивается емкость связи С13. В
ненагруженном состоянии для контура, испытывающего влияние (рис.4.11,г) можно
записать:
Ust /U12=1/(1+C34 /C13+C34 /C24).
Такие контуры типичны для аналоговых и цифровых схем. В качестве примера на рис. приведена логическая схема, в которой может произойти непредусмотренное изменение состояния переключающегося элемента при изменении сигнала на выходе элемента А из-за наличия паразитной емкости С 13.

Рис.4.12. Емкостное влияние контуров с общим проводом системы
опорного потенциала 2,4:
а-схема с элементами логики; б-схема замещения;
1,2-влияющий контур;
3,4-контур испытывающий влияние;
С13-паразитная емкость связи.
На рис. 4.12б приведена соответствующая схема замещения. Принимая RS>> RQ, записываем напряжение помехи в операторной форме:
(4.7)
Решение этого уравнения имеет вид
(4.8)
здесь ∆U/∆t представляют собой постоянную скорость линейно возрастающего выходного напряжения элемента А в интервале 0tt (рис.4.13).
Если постоянная времени RQ(C13+C34)<<∆t , то максимально возможное напряжение помехи определяется
(4.9)
Емкость связи С13 определяется геометрическими размерами и топологией проводников. В простейшем случае проводники диаметром D и длиной l, расположенные параллельно друг другу на расстоянии d (рис.4.14), имеют емкость связи
(4.10)
Реальные значения емкости С13 составляют от 5 до 100 пФ/м. Например, при С13=100пФ/м, RQ=50 Ом, l=0,1 м и ∆U/∆t=4 В/нс ориентировочное значение максимального напряжения помехи составляет примерно 2 В.
Рис.4.13. Выходной сигнал элемента А, изображенного на рис. 4.12,а.

Рис.4.14. Параллельно проложенные цилиндрические проводники (а) и зависимость погонной емкости С13/l от отношения d/D (б).
Мероприятия по снижению емкостного влияния контуров с общим проводом системы опорного потенциала следующие:
1. обеспечение малой емкости связи
С13 из-за сокращения длины проводов l, уменьшение
диаметра провода D, увеличение расстояния d между проводами 1 и 2,
исключения параллельной их прокладки, применения изоляции проводов и печатных
плат с малой диэлектрической проницаемостью;
2.
увеличение емкости С34 путем размещения сигнальных проводов
между проводниками системы опорного потенциала, скрутки сигнальных проводов и
проводов системы опорного потенциала;
3. выполнение
предельно низкоомными токовых контуров, подверженных влиянию;
4. ограничение скорости изменения напряжения
∆U/∆t (в логических схемах скорость переключения должна быть не выше, чем
требуемая для функционирования);
5. экранирование
проводов и контуров, чувствительных к влиянию (экраны S на рис.4.15,а
провода и экранные дорожки S на печатных рис.4.16). Под влиянием экрана
существенно уменьшается емкость С13, а емкость
С34 увеличивается, что в соответствии с (4.8) и (4.9) приводит
при одной и той же скорости изменения напряжения ∆U/∆t к снижению
напряжения помехи.
В любом случае экран S должен быть изготовлен из хорошо проводящего материала, чтобы на сопротивлении экрана R и его индуктивности L (рис.4.15,б) не было заметного падения напряжения, накладывающегося на полезный сигнал в защищаемом корпусе.
|
|
|
Рис. 4.15. Экранирование линии: |
|
|
|
Рис. 4.16. Экранирующие дорожки на печатных платах. Экранирующая дорожка S (схема замещения такая же, что и на рис. 4.15,б). |
В длинных заземленных с одной стороны сигнальных линиях при появлении изменяющегося во времени напряжения ∆U протекает ток помехи ist, обусловленный емкостями С1 и С 2, и вследствие несимметрии относительно земли часть синфазного напряжения ∆U преобразуется в противофазное напряжение Ust суммирующееся с напряжением сигнала, поступающего от источника (рис.4.17,а).
|
|
Рис. 4.17. Односторонне заземленная линия с большими емкостями на землю С1 и С2 (а) и схема ее замещения при RS>> RQ (б). |
Принимая напряжение ∆U изменяющимся по синусоидальному закону, например, с частотой сети, можно записать выражение для напряжения помехи (рис.4.17б):
(4.11)
Например, при ∆U=100 В, f=50 Гц, C1=2000 пФ и RQ =150 Ом напряжение помехи составляет 9.4 мВ. Этого достаточно чтобы практически исключить передачу слабых сигналов, например, от термоэлементов, что, впрочем, не так часто встречается.Из (4.11) следует, что при f=0 U st=0, а при бесконечно высокой частоте Ust=∆U. Это означает, что при высоких частотах напряжение помехи соответствует синфазному напряжению ∆U.
Cредства борьбы с
помехами:
1. выполнение сигнального контура
предельно низкоомным (малые значения RQ,
RS);
2. экранирование
сигнальной линии (рис. 4.18,а,б).
При этом напряжение помехи снижается до
значения
(4.12)
При наличии
последовательного резонансного контура становится возможным повышение напряжения
помехи (рис.4.18б).
При
заземлении экрана (рис.4.18в) может наблюдаться увеличение емкости провода
относительно земли (СSL>C1), что приводит
[(4.11) , рис.4.18г] к большему напряжению помехи, чем при отсутствии экрана.
Хорошие результаты снижения напряжения
помехи могут дать:
1. симметричное
относительно земли выполнение линий передачи сигналов (рис.4.18д,е); при полной
симметрии Ust=0;
2. введение
на приемном конце элементов, разделяющих потенциалы [реле, оптической развязки,
разделительного трансформатора (рис.4.18ж,з)]. Проникновение помехи в этом
случае возможно через паразитную емкость разделяющих элементов Сst
(Сst<<C1;
Cst<<C 2);
3. применения для передачи сигналов световодов
(рис.4.18и). Этот способ практически устраняет влияние емкости
Сst.
|
|
| Рис. 4.18. Способы защиты с большими емкостями относительно земли |
Если молния ударяет непосредственно в землю или находящиеся вблизи проводящие предметы (молниеприемники, осветительные мачты, металлические фасады и т.п.), то канал молнии В (рис. 4.19) кратковременно приобретает высокий потенциал (Uмах>100кВ) вследствие падения напряжения на сопротивлении. В результате потенциал сигнальной линии при наличии емкостей СК и СЕ повысится до значения
(4.13)
Если нет устройств, защищающих от перенапряжений, то входная изоляция приборов G1 и G2 будет повреждена, а в лучшем случае (слабая интенсивность молнии, большое расстояние до места удара, дающее малое значение СК) возникает интенсивная помеха.
|
|
| Рис. 4.19. Емкостное влияние молнии на линию: В-канал разряда молнии; G1, G2-приборы; СК,СЕ-емкости связи относительно земли. |
Индуктивное влияние
обусловлено потокосцеплением между контуром промышленного устройста и контуром
образованным при ударах молнии или разрядах статического электричества.
В качестве первого простого примера на
рис. 4.20а показаны два индуктивно связанных контура. Если в контуре 1 имеет
место быстрое изменение тока ∆i/∆t, например, при коммутациях, то в
контуре 2 индуктируется напряжение помехи
(4.14)
где Ф - магнитный поток, пронизывающий контур 2; L12 - взаимная индуктивность контуров 1 и 2.
|
|
|
Рис. 4.20. Индуктивное влияние между промышленными
токовыми контурами: |
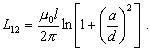
Взаимная индуктивность зависит от конфигурации и размеров контуров. В нашем случае:
(4.15)
Например, при l=1м, а/d=0.1 и
∆i/∆t=1000 А/c, получаем напряжение помехи
Ust=2,3 В.
Второй
пример - разряд статического электричества на проводящий корпус прибора G
(рис.4.21). В контуре, находящемся внутри прибора и удаленном от проводника с
током разряда iESD на среднее расстояние r0,
индуктируется напряжение
(4.16)
где l и а - длина и ширина контура
соответственно.
При выводе (4.16)
использованы соотношения: Ust=al∆B/∆t,
B=0H и H=i/2r0.
Например, при а=l=1 см,
r0=5 cм и скорости изменения тока во времени 10 А/нс,
возможной при разряде статического электричества, напряжение помехи равно 4
В.
|
|
Рис. 4.21. Индуктивное влияние разряда статического электричества ESD на петлю (l, a) внутри прибора G |
Следующие примеры индуктивного влияния показаны на рис.4.22 и 4.23. Магнитное поле канала молнии индуктирует в контурах напряжение, которое можно определить из (4.16). Здесь выделены два таких контура. Первый образован проводами сигнального контура и имеет площадь a1l. Второй площадью a2l , создан заземленным проводом сигнального контура и землей. При r0=25м, l=20м, а 1=0.4cм, а2=60см и ∆i/∆t=200 кА/мкс из (4.16) вычисляется напряжение Ust1=128 В в первой петле, Ust2=19.2кВ - во второй петле. Если не предусмотрены специальные защитные меры эти напряжения могут привести к пробоям и связанным с ними повреждениям приборов G1 и G2.
|
| |
|
Рис.4. 22. Индуктивное влияние тока молнии на
электрические контуры в устройствах автоматизации: | |
|
|
Рис. 4.23. Индуктивное влияние тока молнии на электрический контур внутри здания G, образованный проводами питания и сигнальными линиями при ударе молнии в молниеприемник В здания |
При r0=11 м, а=15 м, l=10 м и ∆i/∆t=200 кА/мкс индуктированное в петле напряжение согласно (4.16) достигает 540 кВ. При отсутствии средств защиты включенные в обе сети компьютеры, несомненно, будут выведены из строя.
Мероприятия по снижению
индуктированных напряжений предусматривают:
1. снижение до возможных пределов
взаимной индуктивности L12, т.е. уменьшение l за счет
сокращения длины проводников, увеличение расстояния между сетевыми и
информационными проводами, уменьшение площади контура, подвергающегося
воздействию;
2. уменьшение скорости
изменения во времени потока ∆Ф/∆t при помощи короткозамкнутой петли
К, расположенной непосредственно у сигнального контура (рис.4.20в).
3. осуществление связи контуров 1 и 2
ортогонально направлению силовым линиям магнитного поля (рис.4.20г). Этот
способ эффективен в устройствах, выполненных в виде катушек;
4. компенсация индуктированного в
контуре 2 напряжения путем скрутки проводов (рис.4.22д). При этом частичные
потоки Фi создают напряжения, направленные противоположно;
5. экранирование кабелей, соединенных
проводов, модулей приборов ферромагнитными экранами (трубами, металлическими
шлангами, стальными корпусами), причем экранирующее воздействие тем сильнее, чем
выше магнитная проницаемость материала и толще стенка
экрана.
Причиной воздействия излучения являются электромагнитные волны, излучаемые токовым контуром и распространяющиеся в окружающем пространстве со скоростью света с=300000 км/с. Между длиной волны λ и частотой f существует известная связь:
λ =с/f. (4.17)
При х>λ/2π или же х>c/2πf соблюдаются условия дальнего поля. Эти условия необходимо учитывать при частоте 1 МГц на расстоянии х=50 м, а при частоте 1 ГГц - на расстоянии х=5 см от источника (при частоте 10 МГц х=5 м, а при f=100 МГц х=0.5 м). Напряженность электрического поля на расстоянии х от источника мощностью P может быть определена из соотношения
(4.18)
при этом Еx выражается в В/м, Р - в кВт,
х - в км. Например, при Р=10 Вт и х=3 м
Еx=10 В/м.
При
воздействии электромагнитной волны на электропроводные объекты вследствие
антенного эффекта возникают высокочастотные напряжения, непосредственно или
косвенно являющиеся помехами в сигнальных контурах. Приближенно индуктируемая
ЭДС в антенне рассчитывается
(4.19)
где leffT - эффективная длина антенны.
Длина leff зависит от
размеров устройства, обладающего антенными свойствами и длины падающей волны.
Для конкретных объектов она определена в стандартах. Например, при частоте
f=300 МГц, Е x=10 В/см, l=0.1 м,
leff=0.2 м, напряжения Ust=2 В.
Защитой от электромагнитного поля, как
для ослабления излучения, так и для уменьшения проникновения, служат
экранирующие стенки, устанавливаемые между источником и приемником. Такой
стенкой напряженность падающего поля уменьшается от значения
Е0 до значения Е1. Это обусловлено, с одной
стороны, поглощением энергии поля в материале экрана, а с другой - отражением
падающей волны. Затухание зависит от толщины экрана, электропроводности и
магнитной проницаемости материала, частоты излучения.
В е р с т к а : Б е к р е н е в С е м ё н